2021
Aggregat för tryckcykling av provobjekt. Svårbrännbar olja för provtemperatur upp till 350 grader. Direktstyrt system utan tryckstegrare. pumptryck 550bar.
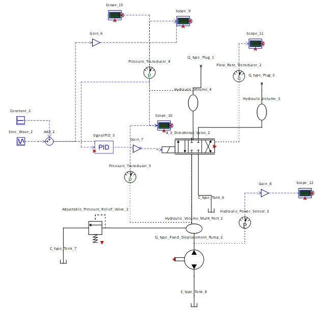
Simulering

Simulering av tilltänkt system. Direktstyrt system för tryckökning i provvolym ca 2dl. Tryckcykling på 500bar upp till 2 Hz.



System

Ljudisolerat aggregat med högtryckspump och cirkulationspump. Moog D730 servoventil högtrycksverision 550bar. Moog MSC3 styrsystem med HMI. Panel för vacuumsugning samt fyllning av provobjekt. Minimal tankstorlek, 30L, med separeringsplåtar och flödesvägar. Huvudpump ca 4l/min samt cirkulationspump 12l/min.
