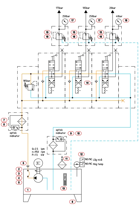
2021 Volvo CE aggregat för utstyrning av tre olika tryck till differential.

Enkelt aggregat för utstyrning av tre olika tryck med handspaksventil.
- 175bar
- 105bar
- 20bar
handspaksventil HAWE med öppet centrum. Pump 2.5l/min. Retur och tryckfilter, nivå och tempvakt.
